
专注于烟气低温脱硫脱硝一体化
承接各类环境检测及环保验收
承接各类环境检测及环保验收





点击数:57492019-01-29 10:13:36 来源:
工艺概述:
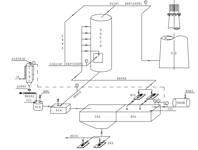
双碱法脱硫工艺(Na2CO3/Ca(OH)2)是在“石灰石/石膏法”基础上结合“钠碱法”发展起来的新工艺。本工艺利用钠盐易溶于水,在吸收塔内部采用钠碱吸收SO2气体,吸收后的脱硫液在再生池内利用廉价的石灰水进行再生,从而使得钠碱循环吸收利用。
双碱法是先用可溶性的碱性清液作为吸收剂吸收SO2,然后再用石灰乳或石灰对吸收液进行再生,由于在吸收和吸收液处理中,使用了不同类型的碱,故称为双碱法。
技术特点
★采用钠碱作为吸收剂克服了结垢、堵塞现象,系统长期运行安全稳定。
★采用钠碱吸收剂,可降低液气比,减少动力消耗。
★钠碱价格虽高,但在系统运行中循环利用,只需适量补充,损耗少。再生石灰资源易得、价廉、总体运行费用低。

鲁公网安备 37028302000527号
